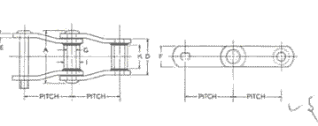
WELDED STEEL CHAIN AND ATTACHMENT
 |
Chain no |
Pitch In |
Max wirking load Lbs |
Overal all Riveted
A |
Max Allowable Spklpace k |
SideBar |
Rivet dia G |
Lgth of bearing D |
Barrel Dia I |
Appr
Wgt Per foot Lbs |
Spkt Liated Pages |
Thnkna
EE |
H1 F |
WR78
WH78 |
2.609 |
3000
3.500 |
2 15/16 |
1 1/8 |
1/4 |
1 1/8 |
1/2 |
2 |
7/8 |
4.2 |
260 |
WR82
WH82 |
3.075 |
3.750
4400 |
3 1/4 |
1 1/4 |
1/4 |
1 1/4 |
9/16 |
2 1/4 |
1 1/8 |
5.5 |
261 |
W124
WR124
WH124 |
4.000 |
5.250
6.300
7.3500 |
4 1/2 |
1 5/8 |
1/8 |
1 1/2 |
3/4 |
2 3/4 |
1 2/8 |
8.5 |
264 |
 |
W124HD
WR124HD
WH124HD |
4.063 |
6.550
7.850
9.150 |
4 5/4 |
1 5/8 |
1/2 |
2 |
7/8 |
3 |
1 5/8 |
14.4 |
264 |
W111
WR111
WH111 |
4.760 |
6.300
7.600
8.850 |
4 13/10 |
2 1/4 |
3/8 |
1 1/2 |
4/4 |
3 3/8 |
1 3/8 |
8.4 |
262 |
W110
WR111
WH111 |
6.000 |
5.600
6.750
7.900 |
4 7/5 |
1 7/8 |
3/8 |
1 1/2 |
3/4 |
3 |
1 1/4 |
6.9 |
262 |
W132
WR132
WH132 |
6050 |
10.900
13.100
15.000 |
6 1/4 |
3 |
1/2 |
2 |
-1 |
4 2/8 |
1 5/8 |
13.5 |
264 |
| Riveted construction is standard .Plan and cotter can be furnished made-to-order.Letter preflexes indicate the following.:w=no partn heat treated :WR =heat treated rivet: WH=all parts heat treated. |
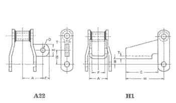
| Attachments-Dimensions(inch)and Weights |
 |
Chain no |
Attach No |
Appr Wgt.per Foot Lba |
A |
B |
C |
D |
E |
F |
H |
T |
WR78
|
A22 |
4.9 |
1 7/8 |
1 3/16 |
--- |
3/8 |
--- |
5/8 |
1 |
3/8 |
WR78
WR82 |
H1 |
8.3
9.9 |
1 3/4
2 |
1/2
4/8 |
31/16
3 |
--
-- |
---
--- |
7/8
1 1/2 |
3 5/2
3 5/2 |
1/4
1/4 |
WR78
WR82 |
H2 |
7.5
8.8 |
2 4/16
2 4/16
|
2 3/16
2 22/14 |
213/16
3 |
--
-- |
---
--- |
1 7/8 |
3 1/2
3 5/8 |
1/4
1/4 |
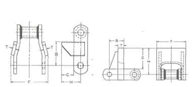
 |
WR78
WR82 |
K1 |
5.5
7.2 |
4
4 2/14 |
1 1/4
1 1/2 |
13/16
7/4 |
3/8
3/8 |
---
--- |
5
5 1/2 |
1 1/4
1 3/4 |
1/4
1/4 |
WR78
WR82
W110
W111
W124
W124HD
W132 |
K2 |
6.3
7.6
8.5
12.4
11.7
18.4
19.3 |
4
42/4
5 5/16
6 1/4
5 1/4
7 1/2 |
1 4/12
3/4
2 1/2
1 13/64
7/8
7/8
1 4/8
|
13/16
7/8
1 3/4
1 1/8
1 1/4
1 1/2
1 1/4 |
3/8
3/8
3/8
1/2
3/8
1/2
1/2 |
1 1/3
1 3/4
1 3/4
2 3/16
1 15/16
1 15/16
2 3/4
|
5
5 3/8
6 1/2
7 1/2
6 3/8
6 3/8
9 3/16 |
2
2 1/4
3
3 1/2
3
3
4 3/16 |
1/4
1/4
3/8
3/8
3/8
1/2
1/2 |
WR78
WR82 |
R1 |
4.7
6.1 |
---
--- |
1 7/8
2 1/16 |
1
1 1/4 |
--
-- |
---
--- |
1 1/2
1 5/8 |
1 5/16
1 7/8 |
1/4
1/4 |
WR78
WR82
W124
W124HD
|
RR |
5.2
6.7
10.4
17.6 |
----
---
---
--- |
1 7/8
2 1/16
3
3 |
1
1 1/4
1 1/4
1 1/8 |
---
---
--- |
---
---
--- |
3
3 1/2
4 1/2
5 1/3 |
1 5/16
1 7/8
1 7/8
2 1/5 |
1/4
1/4
3/6
1/12 |
 |
WR78 |
R1 1/2 |
4.9 |
--- |
1 7/8 |
1 1/2 |
---
---
---
---
--- |
---
---
---
---
--- |
1 1/2 |
2 1/14 |
1/4 |
WR78
WR124
W124HD |
RF2 |
10.2
19.3
25.2 |
----
---
--- |
1 1/2
2 1/2
2 1/2 |
2 1/3
2 1/2
2 1/2 |
---
---
--- |
---
---
--- |
3
4 1/4
4 3/4 |
2 11/14
3 1/4
3 1/2 |
5/8
1
1 |
WR78
WR82
W124
W124HD
W132 |
WING |
7.3
8.6
14.2
19.1
23.6 |
6
6 1/2
8 1/2
8 1/2
12 3/8 |
4/4
15/16
14/16
1 3/6
1 1/2 |
---
---
---
--- |
---
---
---
--- |
---
---
---
--- |
1
1 1/4
1 1/2
1 3/4
2 |
---
---
---
--
--- |
1/4
1/4
1/4
1/4
3/6 |
Represent bolt size. Represent actual flat size. Attachment also aviable in "WH" chain in sizes 78 and 82 and on "WH" and "Wh' chains in other chain sizes.
Note:Catalog dimensions may be subject to change or correction. Please request certified prints for current and exact dimenaison. |
<<BACK
| wiperdrive© copyright. 2002 |
|